現在的水質監測浮標重量大概多重,體積多大?
作者:水質監測時間:2024-05-24
有網友問現在的水質監測浮標重量大概多重,體積多大?哎呦,這分廠家型號的,不同廠家不同型號的水質漂浮站規格都是不一樣的。咱是風途廠家,只能說說咱家產品的規格——
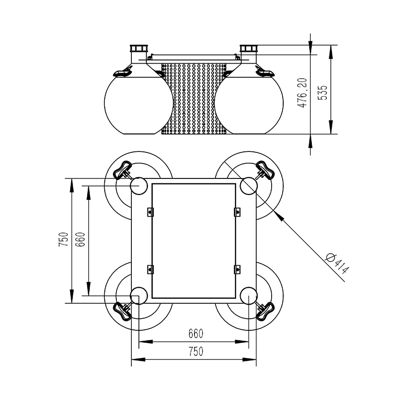
外形尺寸:750mm*750mm*535mm。
浮球直徑414mm
重量:22kg
尺寸圖如下所示:

風途的這款水質監測浮標站由6個結構組成:水質傳感器、數據采集器、通訊設備、太陽能供電系統、支架(浮標臺)、數據云平臺。
它可以實時監測多項水質要素:COD、電導率、水溫、氨氮、濁度、PH、溶解氧等等。
水資源不僅是自然界的寶貴財富,人類不可或缺的生命元素,也是經濟發展中的關鍵要素。人類不能沒有水,就像耶路撒冷不能沒有耶穌。可是,在城市化的快速發展過程中,人類的一些非理性和不科學的開發行為,已經讓水資源遭受到了嚴重的損害。
據測算,每年大約有1.31億立方米未經處理的污水被直接排放到水體中,這不僅對環境造成了破壞,也對人們的日常生活產生了負面影響。因此,對污水、飲用水以及河流湖泊的水質進行監測,就變得至關重要了。
水質監測是維護綠色生態和創造宜居環境的關鍵環節。通過有效的水質監測,我們能夠及時發現和處理水質問題,保障水資源的質量安全!

說起水質監測,除了人工,現在更多的是使用相關的設備,比如水質監測站。這分為固定的和可以移動的。有一些水質監測站,或像自動氣象站、或者像一個機箱,都需要固定在某一處。好處嘛,簡便成本低,實時在線測量,不需要親力親為,不好的地方嘛,移動性差,只能監測這一片區域內的水質量,適合用在重點水域。而更多時候,是隨機檢測的,這就需要移動的水文監測站,就是上文說的水質監測浮標站。
浮標,就是一種360°的圓形平臺,是用來搭載一堆設備的,上面有太陽能電池板,還有各類水質傳感器,GPRS通訊設備也有。
水質監測浮標站的優點有很多,首先就是不需要繁瑣地建站,因為可以直接把它放在水域中,買到設備就能使用,節省了成本;再者是電源方便獲取,它是靠太陽能發電的,蓄電池儲電,且不會受到停電、斷電等突發情況的影響;最后是能配置GPS定位系統,實時定位,不用擔心丟失。
推薦閱讀:雨量水位監測設備更好保護水資源
本文地址:http://www.ycjxw.com/news/681.html
- 相關產品
- 相關文章
-
10-242025
水庫大壩監測系統詳解
系統通過部署GNSS監測站、固定測斜儀、孔隙水壓計、雨量計、土壓力計、應變計、量水堰計及溫濕度傳感器等一系列智能化傳感設備,實現了對水庫大壩從宏觀到微觀、從外部到內部的全天候動態監控。
-
10-222025
物聯網二次供水水質監測微系統方案
二次供水水質監測微系統是基于物聯網技術的綜合性在線監測解決方案,旨在有效解決供水系統末梢水質監控難、數據滯后等問題。該系統集成了傳感器采集、數據存儲與遠程通信功能,可實時監測多項水質指標,為供水安全提供可靠保障。
-
10-202025
徑流水土流失監測設備型號推薦【FT-JL1】
徑流水土流失監測設備(型號FT-JL1)是一種用于自動觀測和分析區域水土流失狀況的專業設備。替代傳統的人工觀測方法,實現全天候、自動化的數據采集,為水土保持研究和治理提供精確依據。
-
10-162025
水源水質檢測設備選型推薦——風途科技
水源水質檢測是一套系統性的科學工作,旨在通過實時監測和分析水體中的各種物質,來評估水質狀況、預警污染風險,并為水環境管理提供數據支持。







